一、单项选择题,(每小题1分,共20分)
1、斜拉桥的结构组成不包括______。
A.索塔
B.锚碇
C.主梁
D.钢索
2、二灰稳定粒料基层中的粉煤灰,若______含量偏高会导致路面起拱损毁。
A.CaO
B.MgO
C.SO3
D.SiO2
3、关于温拌沥青混合料面层施工的说法,错误的是______。
A.表面活性剂类干法添加型温拌添加剂的掺量一般为最佳沥青用量的0.5%~0.8%
B.温拌沥青混合料出料温度较热拌沥青混合料降低20℃以上
C.运料车装料时,一车料最少应分两层装载,每层应按3次以上装料
D.振动压路机在混合料温度低于90℃后不应开振碾压
4、关于桥梁工程常用术语中建筑高度的说法,正确的是______。
A.桥面与低水位之间的高差
B.桥下线路路面至桥跨结构最下缘之间的距离
C.桥面顶标高对于通航净空顶部标高之差
D.桥上行车路面标高至桥跨结构最下缘之间的距离
5、悬臂盖梁浇筑施工时,浇筑顺序正确的是______。
A.从墩柱顶部开始浇筑
B.从悬臂端开始浇筑
C.从中间向两端进行浇筑
D.从下向上分层级慢浇筑
6、钢梁安装时,不宜用做临时支撑的是______。
A.槽钢
B.钢管
C.盘扣式支架
D.门式钢管支架
7、关于膨润土防水毯施工技术的说法,正确的是______。
A.正式施工铺设前,应逐包拆开包装进行质量检验
B.下雨时,应加快铺设
C.现场铺设应采用十字搭接
D.坡面铺设完成后,在地面留下3m余量
8、关于聚乙烯燃气管道埋地敷设的说法,正确的是______。
A.下管时应采取钢丝绳捆扎、吊运
B.管道可随地形在一定起伏范围内自然弯曲敷设
C.采用水平定向砖敷设时,拖拉长度最大可达到500m
D.可以使用机械方法弯曲管道
9、水平定向钻扩孔钻头连接顺序正确的是______。
A.钻杆、扩孔钻头、转换卸扣、分动器、钻杆
B.钻杆、扩孔钻头、分动器、转换卸扣、钻杆
C.钻杆、分动器、转换卸扣、扩孔钻头、钻杆
D.钻杆、转换卸扣、扩孔钻头、分动器、钻杆
10、水池满水试验,注水时水位上升速度应不大于______m/d,间隔时间不小于______h。
A.2,24
B.3,12
C.2,12
D.3,24
11、在渗透系数为0.05m/d的粉质黏土层降水时,宜采用______降水方法。
A.真空井点
B.管井
C.喷射井点
D.辐射井
12、下列暗挖隧道施工方法中,目前能适用于各种水文地质条件的是______。
A.PBA法
B.钻爆法
C.TBM法
D.盾构法
13、关于材料采购合同交货期限的说法,正确的是______。
A.供货方负责送货的,以供货方发货日期为准
B.采购方自行提货的,以采购方收到货为准
C.委托运输部门送货的,以供货方发货时的承运单位签发的日期为准
D.委托其他公司代运的,以供货方向承运单位申请之日
14、关于冬期混凝土工程施工技术要求的说法,正确的是______。
A.应使用矿渣硅酸盐水泥配制混凝土
B.选用较小的水灰比
C.选用较大的坍落度
D.骨料加热至80℃
15、下列测量仪器中,可用于三维坐标测量的是______。
A.水准仪
B.陀螺经纬仪
C.激光准直仪
D.全站仪
16、下列监测项目中,属于高填方路基监测的主要项目是______。
A.地表裂缝
B.地下水位
C.平面位置
D.路基沉降
17、在工程总承包项目部中,负责对项目分包人的协调、监督和管理的岗位人员是______。
A.施工经理
B.项目经理
C.控制经理
D.商务经理
18、下列危险性较大的分部分项工程中,需要组织专家论证的项目是______。
A.跨度30m的钢结构安装工程
B.施工高度40m的建筑幕墙安装工程
C.搭设高度50m的落地式钢管脚手架工程
D.提升高度60m的附着式升降脚手架工程
19、市政工程采用综合评标的方法招标投标时,一般报价和商务部分的分值权重不得低于______。
A.40%
B.50%
C.60%
D.70%
20、关于生物滞留设施施工技术的说法,正确的是______。
A.地面溢流设施顶部一般应低于汇水面50mm
B.生物滞留设施面积与汇水面面积之比一般为5%~10%
C.生物滞留设施内集蓄的雨水应在48h内完全下渗
D.排水层用砾石应洗净且粒径不大于穿孔管的开孔孔径
二、多项选择题,(每小题2分,共20分)
21、下列挡土墙结构中可以预制拼装的是______。
A.衡重式
B.带卸荷板的柱板式
C.锚杆式
D.自立式
E.加筋土
22、地铁车站主体通常由______组成。
A.站台
B.站厅
C.设备用房
D.通风道
E.生活用房
23、下列路基处理方法中,属于土的补强作用机理的有______。
A.振动压实
B.砂石垫层
C.板桩
D.加筋土
E.砂井预压
24、关于路堤加筋施工技术的说法,正确的有______。
A.土工格栅宜选择强度高、变形小、糙度小的产品
B.土工合成材料摊铺后宜在72h内填筑填料,以避免暴晒
C.填料不应直接卸在土工合成材料上面,必须卸在已摊铺完毕的土面上
D.卸土高度不宜大于1m,以防局部承载力不足
E.边坡防护与路堤填筑应同时进行
25、在桥梁工程模板支架设计中,验算刚度需采用的荷载组合有______。
A.模板、拱架和支架自重
B.新浇筑混凝土、钢筋混凝土或圬工、砌体的自重力
C.振捣混凝土时的荷载
D.倾倒混凝土时产生的水平向冲击荷载
E.风雪荷载、冬期施工保温设施荷载
26、预应力混凝土梁的台座施工时,应考虑的因素有______。
A.地基承载力
B.台座间距
C.预应力筋张拉力
D.预应力混凝土梁的预拱度值
E.混凝土梁的浇筑顺序
27、钢筋混凝土拱桥拱圈无支架施工的方法包括______。
A.拱架法
B.缆索吊装法
C.转体安装法
D.悬臂法
E.土牛拱胎架法
28、污水处理构筑物的结构特点有______。
A.断面较厚
B.配筋率较高
C.抗渗性高
D.抗冻要求高
E.整体性好
29、综合管廊覆土深度应根据______等因素综合确定。
A.地下设施竖向综合规划
B.道路设施布置
C.行车荷载
D.绿化种植
E.冰冻深度
30、微表处理技术应用于城镇道路维护,具有______等功能。
A.封水
B.防滑
C.耐磨
D.防车辙
E.改善路表外观
三、案例分析题,(前3题各20分,后2题各30分)
【背景资料】
某城镇主干道向郊外延伸新建。道路红线内地勘报告揭示地层分布第①层0~0.8m为杂填土,第②层0.8~2m为砂质黏土。路基施工范围内地下水丰富,开挖路段地下水接近路床底标高,该项目设计定位为绿色建造示范工程,拟采用海绵城市专项设计,并在项目中引进绿色建造新技术如装配式检查井、生态草沟、沥青智能摊铺及智能压实等。本项目新建道路横断面图1所示,生态植草沟及人行道透水铺装详细做法如图2所示。
路基施工时恰逢雨期,项目部为赶工期扩大施工断面将三个桩号路段连续开挖,开挖至路床顶面标高时遇到了雷雨停止施工,虽及时设置排水边沟,在大雨过后,经过晾晒的路床在碾压时,表面仍出现大面积“弹簧土”经工序验收,监理对路基压实度不满足设计要求提出了整改意见。由于沥青智能摊铺及智能压实施工为四新技术,项目部在施工前选取试验段展开试验,确定了各项施工参数。
人行道砖采用环保材料再生透水砖,材料进场检验发现其透水系数为4.0×10-3cm/s,不满足设计要求,供应商给予换货。人行道铺装完成后,项目部自检发现人行道道口直道砖铺设不满足无障碍设计要求,现场铺装加图3所示。
为更好地实现南水集蓄回用,生态植草沟内种植土进行了改良,以满足水生植物生长要求,提高雨水下渗速度,施工完成后,经雨季测试海绵设施运行状况良好。

图1 新建道路横断面示意图(单位:mm)

图2 详图(单位:mm)

图3 人行道道口盲道砖铺设局部平面示意图
问题:
31、为解决地下水对路基的影响,挖方路段可采用何种降排水方案?
32、根据施工背景,如何杜绝再次出现“弹簧土”,雨期施工采取哪些措施可有效保证路床压实度合格?
33、可集成哪些先进技术以实现沥青智能化摊铺和压实?
34、人行道透水砖透水系数应达到多少才能满足透水要求?图3所示盲道砖铺设有哪几处错误(用盲道砖编号作答)?说明错误的原因。
35、为更好地实现雨水集蓄回用,生态植草沟底部还应铺设哪些材料?
【背景资料】
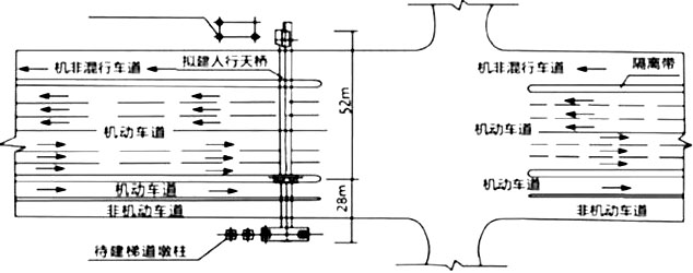
某公司承建一项城市更新项目,为解决行人出行对既有道路交通平面交叉干扰,需修建人行天桥一座,天桥平面位置见图1所示。项目位置交通流量大,临近居民区,周边环境复杂、施工场地狭窄。该天桥全长80m,宽3.9m。主桥部分分为两跨,结构形式为下承式钢桁架桥。两跨分别为52m+28m,正立面见图2所示。主桥钢桁架梁落在盖梁上。主梁设计梁高为4m梁宽3.9m,钢桁架梁安装联接采用焊接工艺。

图1 天桥平面位置示意图

图2 天桥侧立面示意图(单位:m)
项目部进场后认真学习图纸,根据现场实际情况,做了以下工作:
一、施工方案提出交通流量大,居民区施工条件复杂,将钢架梁委托给能满足制造条件的钢结构厂加工。这样既可保证钢桁架梁桥的质量,工期也有保证。
二、由于该项目部首次承接钢桁架梁桥项目,全工程技术人员认真研究了桥梁上部结构及组成部分为打造桥梁精品工程提供了保证。
三、钢桁架梁安装是技术要求较高的工作,工程技术人员严格按相关规范编写了作业指导书。
四、现场吊装是这个项目的关键环节,特别是在交通流量大、施工场地狭窄、靠近居民区的区域,施工措施需完善。
五、搭设临时支墩需占用主路一股机动车道,届时施工计划安排将部分车道申请临时封闭。
问题:
36、项目部派员全程参与了钢桁架加工,并圆满完成了加工任务。钢桁架梁出厂前必须要验收的工作是哪三项?
37、简支钢桁架梁桥上部结构由哪些部分组成?
38、作业指导书指出,如现场焊接无设计要求,钢桁架梁梁段杆件焊缝连接时,纵向及横向焊接顺序应如何进行?
39、钢桁架梁安装前施工现场需做的工作中除临时支墩拼装外,还有哪几项工作要做?
40、在市政道路搭设临时支墩前需办理哪些手续?分别应由哪些部门审核批准?
【背景资料】
某企业承接生活垃圾填埋厂建造项目,交于项目部施工,建设地点位于城市西北方向约20km处,地理环境良好,在公路一侧。现状场地为干涸多年的河道,总体平坦,长约500m,开口宽180~200m,土地利用类型为荒地,设计日处理垃圾100t,有效库容60万m3,使用年限为10年。
项目部接到施工任务后,组织施工人员认真阅读施工图纸和有关技术资料,测量组进入现场放线,接收、建立并复测两类控制点,以便做好图纸会审和设计交底的准备工作。生活垃圾填埋厂库区主要施工内容是土方工程,库区底部地基处理前必须将干涸河底的腐殖土挖除(另行堆放后用),原土碾压密实后再回填600mm厚黄土作库区底部基础处理,以防垃圾填埋厂启用后产生渗漏。库区底部基础分三层施工,每层施工工序为A、B、C。
库区地基处理验收合格后便进行库区渗沥液防渗系统与收集导排系统工程施工,如图1所示,库区渗沥液防渗系统与收集导排系统由五道工序组成:①铺设4800g/m2GCL(纳基膨润土防水毯)、②铺设HDPE膜(2.0mm)、③铺设200g/m2土工布、④铺设600g/m2土工布、⑤铺300mm厚卵石渗滤波导流层。铺设HDPE膜(2.0mm)质量验收合格后,进行余下三道工序施工。

图1 库区渗沥液防渗系统与收集导排系统示意图

图2 生活垃圾卫生填埋工艺流程
问题:
41、项目部测量组在现场接收、建立并复测哪两类控制点?图纸会审和设计交底会议由哪个单位组织?
42、按库区底部基础回填要求,黄土分三层回填的施工工序中A、B、C分别按序号写出是哪三项具体工作?
43、在施工现场铺设HDPE膜(2.0mm)的焊接工艺有哪几种?分别用什么方法进行质量检测?
44、填写库区渗沥液防渗系统与收集导排系统示意图中3~5的编号。
45、库区生活垃圾卫生填埋过程中D、E为哪项操作过程?F为哪种气体?
【背景资料】
某施工单位中标一项城市更新项目,主要施工内容为排水箱涵工程,总长度2500m。排水箱涵位于既有道路下方,包括基坑支护、止水帷幕、钢筋混凝土箱涵及道路恢复,箱涵采用明挖法施工。设计规定施工期间基坑边1.5m范围内不得有堆载。箱涵结构及基坑支护结构断面如下图所示。箱涵混凝土强度等级为C35,抗渗等级为P8,每20m设置一道变形缝。

箱涵结构及基坑支护断面图(单位:mm)
事件一:项目部依据设计图纸编制了基坑支护及开挖施工专项方案,钻孔灌注采用旋挖钻机施工,工艺流程为:测量定位→下挖成孔→下钢筋笼→浇筑混凝土→跳桩挖孔。高压旋喷桩采用双管法施工,工艺流程为:钻机就位→钻孔→置入注浆管→A→拔出注浆管。基坑采用机械分层、分段挖土,每层挖土厚度不超过1.5m,基坑分段开挖长度为20m,分层开挖高度至钢筋混凝土内支撑底标高时,施工冠梁及钢筋混凝土内支撑。当第一道支撑混凝土强度达到设计要求的80%后,进行第二层土方开挖。桩间采用挂网喷射混凝土支护,随土方开挖及时支护严格遵守基坑开挖原则。
事件二:基坑施工正值雨季,项目部在基坑外侧设置了排水沟,基坑外地面进行了压实处理,基坑开挖时,坑内排水采取明排疏干。同时,项目部应对基坑坍塌准备了如下应急抢险物资:发电机、木方、土袋、砂袋、临时抢险材料、堵漏材料及设备等。
事件三:由于施工场地狭窄,钢支撑临时进场堆放在基坑外临边护栏处,占用了挖机的站位。当基坑开挖到深度7m时,尚无法安装第二道钢支撑,项目部安全员现场检查发现,局部桩间已有渗水及涌砂现象,救援人员利用第一道钢筋混凝土支撑梁作为抢险通道在其上行走救援,传递堵漏物资。安全员认为现场违章作业严重,发出了立即整改通知。
事件四:项目部编制了箱涵主体结构施工方案,在底板施工完成后,侧墙顶板的模板支架进入已完成的底板现场,同时跳仓进行另一块底板浇筑工作。方案中分析了箱涵施工中存在的各类安全质量风险,其中包括模板支架、钢筋混凝土浇筑施工、结构易渗漏部位、影响后续道路施工质量的工序及安全风险,并制定了相应的对策。
问题:
46、事件一中双管法高压旋喷的介质有哪些?高压旋喷注浆的工艺流程中A代表哪项工作?旋喷注浆参数通过何种方式确定?
47、事件二中抢险物资清单缺少哪些基坑坍塌必用的应急物资?
48、面对事件三中存在的施工材料堆放、钢支撑架设、锚喷混凝土、桩间渗水、救援人员等五个安全隐患,给出五个相对应的防范措施。
49、事件四中侧墙及顶板混凝土浇筑时,用于检验混凝土强度的试件应在哪里取样?侧墙混凝土浇筑原则有哪些?顶板混凝土强度至少应达到设计强度的多少可以拆除模板支架体系?
50、事件四中箱涵主体结构施工易渗漏部位有哪些?为保证道路恢复施工的质量,项目部需对哪道工序进行风险管控?
【背景资料】
某公司承建一座城市桥梁工程,双向四车道,桥宽28m,预制预应力混凝土T形梁,先简支后连续结构。桥跨布置为2联(4×35m),下部结构为直径1.8m柱式墩,钻孔灌注桩基础。T梁先简支后连续结构如图1、2所示。
项目部编制的施工组织设计部分内容如下:
51将上部结构T梁安装施工工序划分为:①T梁预制、②T梁吊装、③张拉T梁连续段钢绞线、④安装板式橡胶支座、⑤安装临时支座、⑥拆除临时支座、⑦现浇T梁连续段湿接头、⑧现浇T梁翼板湿接缝,施工工艺流程为①T梁预制→C→②T梁吊装→D→E→F→G→H→桥面系施工。
52根据上部结构的结构形式及施工技术方案选择临时支座的使用材料或设备,在具备施工条件时开展临时支座拆除。
53在T梁安装施工过程中,适时开展T梁连续段湿接头、T梁翼板湿接缝的现场浇筑施工。
54T梁连续段钢绞线施工前,项目部开展主要准备工作如下:
1)指派技术人员主持钢绞线张拉施工工作,编制专项施工方案然后施工人员开展钢绞线张拉施工作业交底。
2)检验锚具、夹具、连接器的型号、规格等参数及张拉设备是否符合设计要求。
3)检查钢绞线的张拉设备是否符合使用规定。

图1 T梁先简支后连续墩顶结构纵剖面示意图

图2 大样图
问题:
51、写出图2中A、B的名称?
52、写出施工组织设计(1)中施工工序C~H的名称(用背景资料中序号①~⑧作答)。
53、施工组织设计(2)中:写出临时支座选用的材料或设备的名称;在上部结构施工具备什么条件时可进行临时支座的拆除施工?拆除临时支座的目的是什么?
54、分别指出施工组织设计(3)中现浇T梁连续段湿接头和T梁翼板湿接缝应在T梁安装施工具备什么条件时才能开始施工?
55、指出T梁连续段钢绞线主要承担T梁连续结构的何种受力(如压力等)?结合图1写出其受力的最大位置(用背景资料中的M、N、L作答)。
56、施工组织设计(4)中:钢绞线张拉工作由谁主持?对张拉作业人员有何要求?张拉作业时对张拉设备有哪些规定?
注:篇幅有限,答案及解析请下载试卷后查看。